歡迎訪問上海靜禹閥門有限公司官網!
|
電話:021-52735798 郵箱:jingyuvalve@163.com |

| 公稱通徑 | DN50~DN1200(mm) |
| 壓力等級 | PN0.6、1.0、1.6MPa |
| 連接方式 | 對夾式、法蘭連接 |
| 驅動方式 | 氣動控制(氣源驅動,壓縮空氣) |
| 適用溫度 | 各種橡膠:-20℃~150℃ |
| 泄露量 | 符合標準(可達零泄露) |
| 密封結構 | 半襯膠密封、全襯膠密封 |
| 工作場合 | 水、氣體、油品及弱腐蝕性流體等(常溫常壓場合) |
| 控制方式 | 開關兩位模式(氣開氣關),調節型(4~20mA模擬量信號控制) |
|
氣動襯膠蝶閥標準規范: 設計制造標準:GB/T 12238-2008
結構長度標準:GB/T 12221-2005
連接法蘭標準:GB/T 9113
壓力溫度等級:GB/T 12224-2005
試驗檢驗標準:GB/T 13927-2008
氣動襯膠蝶閥零件材料: |
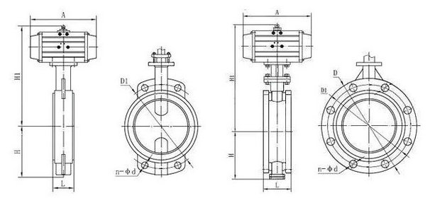
![]() 氣動襯膠蝶閥(對夾式) 氣動襯膠蝶閥(法蘭式) |
| 公稱通徑 | DN(mm) | 50~1200 | ||
| 公稱壓力 | PN(MPa) | 0.6 | 1.0 | 1.6 |
| 試驗壓力 | 強度試驗 | 0.9 | 1.5 | 2.4 |
| 密封試驗 | 0.66 | 1.1 | 1.76 | |
| 氣密封試驗 | 0.6 | 0.6 | 0.6 | |
| 作用形式 | 雙作用(氣開氣關)、單作用(常閉、常開) | |||
| 可選附件 | 定位器、電磁閥、空氣過濾減壓器、保位閥、行程開關、閥位傳送器、手輪機構等 | |||