防爆氣動蝶閥簡介:
防爆氣動蝶閥主要由氣動執行機構和蝶閥組成,另加附件防爆電磁換向閥、防爆限位開關、防爆定位器、手操機構等,按連接形式不同可分為法蘭式與對夾式,根據使用條件選用不同的密封材質,分為硬密封(高溫高壓)和軟密封(常溫常壓)。氣動防爆蝶閥主要用來做截斷介質使用,亦可根據工況需要裝配上閥門定位器,輸入4-20mA模擬量及0.4-0.7Mpa氣源壓力對介質流量、壓力等進行調節控制。
氣動法蘭防爆蝶閥 氣動對夾式防爆蝶閥
防爆氣動蝶閥應用范圍:
氣動防爆蝶閥適用于易燃易爆的氣體、液體、粉塵等介質,且防爆等級為EXdII BT4隔爆型。可廣泛用于給排水、污水、水處理環保、食品、供暖、燃氣、船舶、水電、冶金、能源系統以及輕紡等行業。
防爆氣動蝶閥技術參數:
| 公稱通徑 |
DN50~DN1200(MM) |
| 公稱壓力 |
PN0.6、1.0、1.6、2.5MPa |
| 連接方式 |
對夾式或法蘭連接 |
| 驅動形式 |
氣動控制(氣源驅動,壓縮空氣4~7bar) |
| 密封材質 |
軟密封(≤180℃)、金屬密封(≤450℃) |
| 動作范圍 |
0~90° |
| 泄露量 |
按GB/T4213-92,為Kv值的10-4,軟密封:零泄漏 |
| 閥體材質 |
碳鋼、不銹鋼304、316 |
| 作用方式 |
單作用(常開,常閉)、雙作用(氣開,氣關) |
| 控制形式 |
開關型(開關兩位控制)、調節型(定位器4-20mA模擬量控制) |
防爆型氣動蝶閥附件可選:
回訊器:也叫限位開關,遠程反饋開關信號 (普通型、防爆型可選);
電磁閥:雙作用選二位五通、單作用選二位三通(普通、防爆;多種電壓可選);
三聯件:可對氣源起穩壓、過濾作用;
手輪機構:在氣源故障情況下,轉動手輪機構,可實現手動開、關閥;
電-氣定位器:輸入4~20mA信號,實現閥門調節功能(普通、防爆可選)。
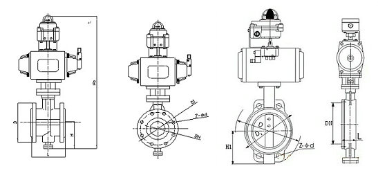
防爆氣動蝶閥外型結構:

防爆氣動法蘭蝶閥結構圖 防爆氣動對夾式蝶閥結構圖
防爆氣動蝶閥性能規范:
| 供氣壓力 |
0.4~0.7MPa |
| 氣源接口 |
G1/4"、G1/8"、G3/8"、G1/2" |
| 環境溫度 |
-30~+70℃ |
| 作用形式 |
單作用執行機構:氣關式(B)--失氣時閥位開(FO);氣開式(K)--失氣時閥位關(FC)
雙作用執行機構:氣關式(B)--失氣時閥位保持(FL);氣開式(K)-- 失氣時閥位保持(FL) |
| 可配附件 |
防爆定位器、防爆電磁閥、空氣過濾減壓器、保位閥、防爆行程開關、防爆閥位傳送器、手輪機構等 |