氣動三偏心蝶閥概述:
氣動三偏心蝶閥由氣動傳動機構和三偏心蝶閥組成,根據連接方式不同一般可分為法蘭或對夾式,材質分為鑄鐵、鑄鋼、不銹鋼等,閥體部分采用三偏心結構,閥板與密封機構設計獨特,具有優良的切斷性能和耐久性能,同時兼備切斷、調節雙重功能,屬長壽命、節能型蝶閥。由于氣動三偏心蝶閥的關閉和閘閥關閉一樣,是靠扭矩來完成的,即閥門關閉的扭矩越大,閥座的密封性就越好,故有人稱三偏心蝶閥為90°旋轉閘閥。

氣動法蘭三偏心蝶閥 氣動對夾式三偏心蝶閥
氣動三偏心蝶閥應用范圍:
三偏心氣動蝶閥適用于水、污水、海水、空氣、蒸汽、煤氣、可燃氣體、腐蝕性介質、油品及食品等介質,最高工作溫度可達550℃。廣泛應用于石油、化工、冶金、電力、食品、醫藥、給排水、氣體輸送等不同介質的管路上,做開關切斷或調節介質流量參數使用。
氣動三偏心蝶閥性能優點:
1、采用三維偏心的密封結構,閥座與蝶板之間磨損小,且密封面耐磨損,延長了使用壽命;
2、根據連接方式分為氣動對夾式三偏心蝶閥和氣動法蘭三偏心蝶閥,可分別使用于不同的工藝管道中;
3、大口徑蝶閥蝶板可采用絎架的結構,具有強度高,過流面積大,流阻小的特點;
4、采用雙向壓三偏心多層次硬密封結構,具有雙向密封的功能,安裝時不受介質流向的限制,也不受空間位置的影響,可在任何方向安裝;
5、具有金屬硬密封和彈性密封的雙重優點,無論在低溫和高溫的情況下,均具有優良的密封性能,具有耐腐蝕,使用壽命長等特點。
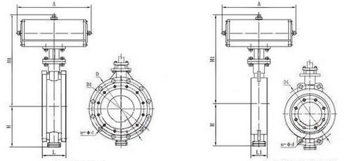
氣動三偏心蝶閥外形結構:

氣動法蘭三偏心蝶閥結構圖 氣動對夾式三偏心蝶閥結構圖
氣動三偏心蝶閥技術參數:
| 公稱通徑 |
DN50~DN1200(MM) |
| 公稱壓力 |
PN1.0、1.6、2.5、4.0MPa |
| 連接形式 |
對夾式、法蘭式 |
| 密封形式 |
三偏心金屬硬密封 |
| 供氣壓力 |
0.4~0.7Mpa |
| 動作范圍 |
0~90° |
| 泄露量 |
按GB/T4213-92,為Kv值的10-4 |
| 閥體材質 |
碳鋼、不銹鋼304、316 |
| 閥板材質 |
碳鋼、不銹鋼304、316 |
| 基本誤差 |
帶定位器:小于全行程的±2% |
| 適用溫度 |
碳鋼:-29℃~400℃ 不銹鋼:-40℃~450℃ |
| 執行機構 |
GT、AT、AW系列單作用、雙作用氣動執行器 |
| 控制方式 |
開關兩位模式(氣開氣關),可調節型(4-20mA模擬量控制) |
氣動三偏心蝶閥結構原理:
典型的三偏心氣動蝶閥,除閥桿和閥板有兩個偏心外,閥板和閥座的密封面呈斜圓臺形(這是所謂三偏心的第三個偏心)。閥門關閉時閥板由于偏心的緣故往前推,閥板和閥座在關閉過程中不產生摩擦,閥板直接壓在閥座上,這樣就保證了閥門的使用壽命;另外,由于這種閥門的密封圈(不論裝在閥座上或閥板上)具有一定的彈性,而且彈性圈內的凸臺與彈性圈之間有少量的間隙可使彈性圈稍有位移;在閥門關閉時,受關閉力的作用,彈性體密封圈能自動移至受力最均勻的位置;再加上彈性圈的少量變形,使閥座處的密封圈均勻受力,達到最佳密封狀態。
氣動三偏心蝶閥圖片