電動開關蝶閥簡介:
電動開關蝶閥就是通常所說的電動雙位切斷蝶閥,一般分為全開和全關兩種狀態。即該電動蝶閥在電控的情況下能達到全開或全關精確到位后自行停止,不能直接與管路系統的流量反饋裝置進行精準互動調節流量。根據連接方式的不同,主要有法蘭式電動開關型蝶閥和對夾式電動開關型蝶閥,選用不同的密封結構(軟密封結構和金屬硬密封結構)可對應使用在不同的介質,一般適用于兩位開關(快速切斷)控制的場合當中。

電動對夾式開關蝶閥 電動法蘭開關蝶閥
電動開關蝶閥特點:
1.電動開關蝶閥是依靠電動執行裝置來控制蝶閥的開或關,電壓AC220V(可選)。
2.依靠電力來帶動閥門,減少人力手工操作,省時省力。
3.開關及時到位,開關完成程度好,基本無誤差。
4.電動執行器帶有手動裝置,在停電或執行機構故障時可以進行手動操作,確保工況正常進行。

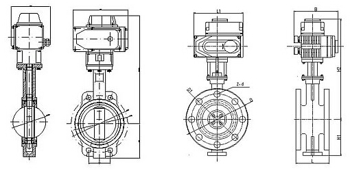
電動開關蝶閥結構圖(對夾式) 電動開關蝶閥結構圖(法蘭式)
電動開關蝶閥技術參數:
| 公稱通徑 |
DN50~DN1200mm |
| 公稱壓力 |
PN0.6、1.0、1.6、2.5MPa |
| 連接方式 |
對夾式、法蘭式 |
| 密封形式 |
軟密封,金屬密封 |
| 介質溫度 |
-20℃-450℃ |
| 動作方式 |
開關兩位(快速切斷) |
| 操作范圍 |
0~90° |
| 適用介質 |
水、油品、氣體、蒸汽、腐蝕性流體 |
電動開關蝶閥和電動調節型蝶閥的區別:
一,開關型電動蝶閥的開啟和關閉只有兩個位置,要么閥門全開,要么閥門全關,不能用來做介質流量的調節控制。
二,調節型電動蝶閥可對管道中的介質流量、壓力、溫度等進行控制,且其三偏心密封閥芯設計能保證在半開狀態下耐沖刷、耐氣蝕。
電動開關蝶閥零件材料:
| 閥體 |
球墨鑄鋼、鑄鋼、合金鋼、不銹鋼 |
| 碟板 |
灰鑄鐵、球墨鑄鋼、鑄鋼、不銹鋼 |
| 密封圈 |
各種橡膠、聚四氟、不銹鋼 |
| 閥桿 |
2Cr13、不銹鋼 |
| 填料 |
O型圈、柔性石墨 |
電動開關蝶閥圖片
